(editor’s note: Intrigued by the problem? Have a question or another solution? Then click the “Read more” link and follow the conversation on EDAboard.com or log in to EDAboard and participate in the analog forum threads.)
How do I design this darn differential amplifier? I’ve been trying to design a differential amplifier with the following specifications (in Cadence Virtuoso) but have been unsuccessful again and again. Read more
Av =>40db
Pd<100uW
Slew Rate=>20v/usec
CMRR=>50db
ICMR=0.8 to 3.0v
Gain Bandwidth product = 50MHz
Vout swing =0.7 to 1.5v
Assume load capacitance = 1pF, Vdd=2.2v, unCox=300u and upcox=50u
Radio receiver from old analog tuner -I want to use an old television analog tuner as the FM receiver. I am going to try to replicate this design:

I have browsed through my tuners. I have selected only the analog ones (I don’t want to use I2C for now), and then selected only the ones that have pinout description on the metal case. Read more
Photodiode to amplifier connection? – I have a large area silicon photodiode connected to a pre-amp. I want to replace it with a new one. The original one is discontinued and I have found a new one with almost all electrical parameters as the original one but it is smaller and the active area is half. Since the active area is half, the photodiode will produce half the current when light shines on it but since pre-amp op amp usually is a very high input impedance one I thought it may work. Do I need to find a higher input impedance op amp chip or just connect the new photodiode as it is? Read more
Floating DC voltage measurement fault – I am trying to measure the voltage across R1 which is floating. In simulation, it works fine. But in practice, the output is always high. I tried reducing resistor values of R5 & R7. But there is always an offset voltage of 0.7V in the output of op amp. Read more
S-parameter measurement simulation – Does anyone have knowledge on how “multiply by 2 using an E source” is implemented in s-param.cir ? The following plots are obtained by running s-param.cir
U0 = 1V, U2 = 2V –>
Are these parameters set correctly? Read more
Understanding ADC sampling rate – I am getting confused between the Nyquist frequency of the signal and ADC sampling frequency and its relationship (NF=2XSANPLING Frequency). If I have a 50hz AC signal, then what would be the Nyquist frequency and the ADC sampling frequency? Read more
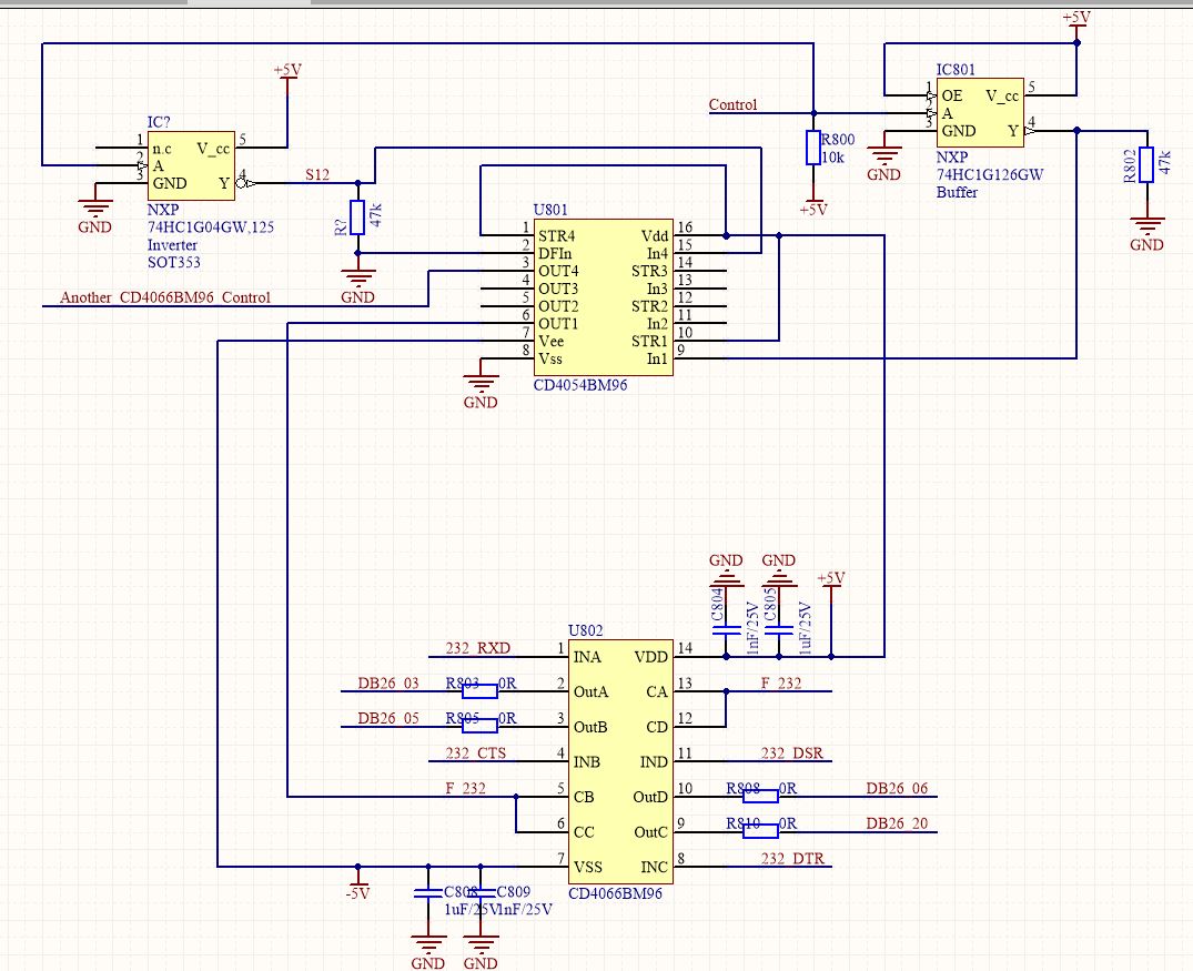
What’s wrong with my RS232 switch ON/OFF circuit? – For switch ON/OFF RS232 signals, I used CD4066, and because my control signal is TTL level, I have to use CD4054 to convert 0V/5V TTL signal to +5V/-5V signal to control CD4066 ON or OFF. But unfortunately, the circuit doesn’t work, and the total current is about 0.8A and CD4054 is fried. Why? Read more
Record and slow play instead of mixing down to audio? – Hi, a normal radio mixer would mix the LO with the RF to produce audio (assuming direct conversion). I wonder, for KHz emissions (LF or VLF) can one record these somehow and play them in very slow speed in order to hear their audio? Read more
5V to drive 300 W heater – How do you drive a 300 W heater from 5V PIC microcontroller? Read more
φ use in spec sheets for pin dimensions? – I’m designing a PCB for my job using EagleCAD and came across an issue where the pin sizes weren’t properly implemented. The spec sheet says the measurement of the pin is 5-φ1.5 (+0.1/-0). Does this mean the diameter of the pin would be 3.5(+/-) or does φ stand for the Golden Ratio making the pin measurement 2.57(+/-)? Read more









Leave a Reply
You must be logged in to post a comment.